Activities
IT Infrastructure
The IT infrastructure of our organization is the backbone of our technology operations. It encompasses all hardware, software, and communication systems that support the organization's day-to-day activities. This includes servers, desktop and laptop computers, storage devices, networks, video conferencing system and software applications etc.
Our infrastructure is designed to ensure reliability, security, and scalability to meet the growing demands of the organization. It is built with the latest technology and is continuously upgraded to stay ahead of the curve. We have implemented robust security measures, such as firewalls, encryption, and backup systems, to protect sensitive information and keep our systems secure.
With a focus on accessibility and collaboration, our IT infrastructure enables employees to work together efficiently, no matter where they are located. Our team of experienced professionals is available to ensure that our systems are always up and running and that any issues are quickly resolved.
Data Centre (DC) and Disaster Recovery (DR)
To eliminate legacy IT complexity, all the existing Servers were consolidated using Hyper Converged Infrastructure (HCI) Technology along with implementation of Smart Racks and established Data Centre (DC) at Hyderabad and Disaster Recovery (DR) at Chennai Offices. The newly implemented HCI combines servers and storage into a distributed infrastructure platform with intelligent software of NUTANIX to create flexible Virtual Machines (VM). The Networking is configured with ToR and Core Switches at DC and DR. The DC and DR SMART RACK Infrastructure consists of inbuilt Redundant UPS system, Precision Cooling system, Fire detection and suppression system, intelligent security and Environment monitoring system (Temperature Monitoring, Humidity Monitoring, Door Switch Sensor, CCTV, Standard Rack PDU, Water Leak sensor)
Benefits:
- Data Efficiency: HCI reduces storage, bandwidth and IOPS requirements.
- Elasticity: Makes it easy to scale out/in resources as required.
- Data protection: Ensuring that data can be restored in the event of loss or corruption is a key IT requirement, made far easier by Hyper Converged Infrastructure.
- High Availability: Ensures that applications can always access data with ongoing data integrity checks, no single point of failure and no storage access failover.
- VM mobility, De-duplication, compression, snapshots, cloning, replication and disaster recovery features are implemented for all the nodes.
- The VLAN configurations in the INTRANET & INTERNET enhanced the Network Security.
Based on pre-set parameters of Smart Rack automated email and SMS alerts will be sent to the IT team.
Pictures during inauguration of DC and DR



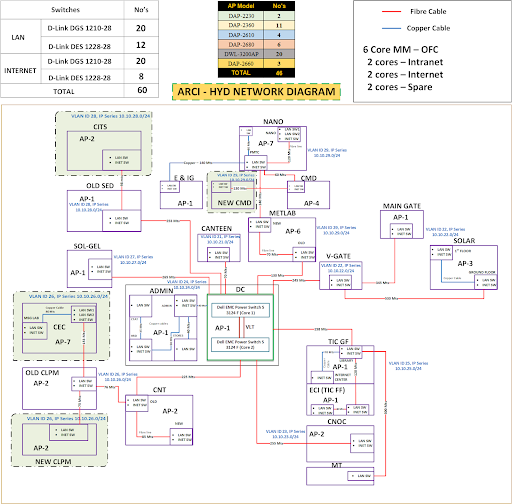
Network Infrastructure
At ARCI, we understand the importance of a robust and reliable network infrastructure. That's why we have designed and implemented a comprehensive computer network that supports our critical operations and provides our users with fast, secure and efficient access to the information they need.
Our network infrastructure consists of a state-of-the-art design, utilizing both wired and wireless connections for optimal coverage and accessibility. The network is secured by advanced firewalls and encryption technologies, and we have strict access control measures in place to ensure the confidentiality and integrity of our data.
We constantly monitor our network to ensure its stability and performance, and our team of experts performs regular maintenance and upgrades to ensure its optimal functioning. Our network is scalable, allowing us to easily expand and adapt to the growing needs of our organization.
The connectivity between each network switch installed in various buildings is through a 10Gbps optic fiber Core switch located in the Data Centre at the Administration building using optic fiber cables. A 1Gbps switch is installed in every centre and UTP cat5e/Cat6 cabling inside buildings to establish connections between the switches. ARCI also has Wi-Fi internet facility using wireless access points and user-based authentication by the Firewalls for providing internet to all the users. The High-availability setup of the Firewalls ensures that the load balancing of network traffic and availability of network services all the time.

ARCI is now a part of a strong and robust internal Indian network, i.e., the National Knowledge Network (NKN). The ARCI LAN, Internet and NKN facilities are being managed by CITS.
Hardware Infrastructure
ARCI has about ~350 desktops, ~80 laptops, ~110 printers and ~12 scanners for various users and connected with various machines. The complete infrastructure is being maintained by CITS.
TelePresence System
ARCI has the Polycom Telepresence System, a High-Definition Video Conference System, which was implemented at ARCI Hyderabad and Chennai offices. The facility is being used extensively for various meetings, conducting interviews, etc. This helps reducing the travel expenses.
Software Infrastructure
Customized ERP:
Our organization uses a customized Enterprise Resource Planning (ERP) software to streamline and automate our business processes. This software is designed to meet the unique needs of our organization, providing a centralized platform for managing finance, operations, human resources, and other critical functions.
With our customized ERP software, we are able to increase efficiency and reduce errors, while also improving data accuracy and security. The software integrates with other systems and platforms, allowing us to manage all aspects of our operations in one place. This enhances collaboration and improves decision-making, enabling us to respond quickly to any organizational needs.
Our ERP software is user-friendly and providing our employees with the tools they need to be productive and responsive. The software is continuously updated and improved, ensuring that it remains relevant and effective in meeting the changing needs of our organization.
The System comprises of following modules
- Common Application: - The common activities that an indenter routinely performs and self-services like Leave, LTC, Telephone reimbursement, Medical reimbursement e.t.c. are included in this module. The “WORK-FLOW” facility in the module makes the office completely paperless and provides essential information about the document status at every stage to the indenter/staff.
- Materials & Stores Management Systems: - From creating enquiries for procurement of material to the final stage of Bill passing, all the functions are streamlined using this system.
- Finance & Accounts System: - There are four finance applications such as ARCI Operating Fund, Sponsored funds, Technology Development & Transfer funds and Multiple Finance Applications for (HBA & PFA). These applications assist in handling accounts by generating daily cash books, ledgers, trial balance, receipts and payment reports, income and expenditure reports, balance sheets etc.
- Personal Information System: - This system is designed to catalogue comprehensive information and record of service related to each employee.
- Payroll System: -Payroll system captures information from Personal Information System and IRIS attendance system and prepares monthly pay-slips. This system also generates various reports necessary for income tax, accounts, administration and bank purposes.
- Library System: -The system automates all the library activities like requisitions made by the employees for the procurement of books, journals, purchase order preparation, payment requisitions and helps the staff in the quick selection of books required.
- Management Information System: - This system generates various reports, which act as important tools in decision making for the top management. The system extracts data from Common applications, Materials & Stores Management System and Finance & Accounts system and other miscellaneous systems and makes it readily available to the front-line managers in their workplace.
- Transport System:- Material and personal transport activities are automated in the system, which keeps track of all information related to pool vehicle movement, hiring cars, trucks etc. Local conveyance payments are also automated in the system.
- Security System:- This system captures inward / outward material movement in the organization and is also used for capturing visitor photo and issuing a visitor gate pass.
- Dispatch System: - This system is designed to record daily mail transactions in the organization.
- Medical System :- MedicalMedical system captures information related to in-patient and out-patient details of employees and cross checks with panel doctors, dependent’s list, eligibility criteria etc.
- Recruitment System:- This system automates the recruitment procedures. It captures information received from the applicants and stores it in the database. The database is subsequently used to scrutinizing the applications the applications based on eligibility criteria, age, percentage, marks in qualifying exam etc. and generates Call Reports etc.
- HRIS System:- This system designed for storing and maintaining staff data related to ARCI Contracts, Projects, JRFs, SRFs, Trainees etc. The system includes the monthly payroll process and generates program-wise expenditure reports with a click of a button.
- IRIS attendance system: - The IRIS attendance system is a bio-metric attendance system which captures employee’s IRIS and transfers the attendance details to the personal information system
- Canteen Management System: - This system is designed to make the Canteen cashless transactions. It captures transactions on the POS terminals using smart cards and provides necessary reports. It also integrated with the Payroll system for employees’ canteen deductions.
Other Systems and Support Services
- Digital Signage System This system is implemented for broadcasting digital contents across the network-connected displays.
- Web Conferencing & Streaming Facilities -The CITS administers and hosts meetings, conferences using various web conferencing software and also organizes live streaming facilities for various programs based on the requirements.
- Telepresence System - ARCI has the Telepresence System, a High-Definition Video Conference System, which was implemented at ARCI Hyderabad and Chennai offices. The facility is being used extensively for various meetings, conducting interviews, etc. This helps reducing the travel expenses.
- Email Facility - The CITS team maintains all the official email accounts of arci.res.in & project.arci.res.in domains using delegated admin control panel provided by NIC, the Email Service Provider and takes care of activities of New user creation, Disable accounts of Retired / Resigned users and extend due date etc.
- IT Help Desk System -The IT Help Desk System is implemented for managing IT-related calls and to maintain IT inventory. Each call related to IT equipment & services is registered in this module by the Users.




![]()
